Direktlink
  • Conrad
  • Mein Konto

    Anmelden / Registrieren

  • Einkaufswagen

  • Aktuelle Angebote, Aktionen & Top-Deals – Jetzt entdecken → Aktuelle Angebote, Deals & Aktionen →
  • Service & Infos

    Vorteile & Inspiration

    • → Langzeit-Garantie

    • → Geschenkkarte

    • → Geschenkideen

    • → Newsletter

    Wissen & Aktuelles

    • → Ratgeber

    • → Conrad Blog

    • → Aktuelles

    • → Kataloge


  • Angebote

    Sparen & Angebote

    • → Aktionen

    • → SALE %

    • → Outlet

    Clever Einkaufen

    • → Haushaltsbedarf

    • → Refurbished

    • → Alle Gutscheine


    Marken im Fokus

    Logo zu TOOLCRAFT
    Logo zu Albrecht
    Logo zu Einhell
    Logo zu Bosch Home and Garden
    Logo zu dyson
    Logo zu Samsung

  • Unsere Produkte
  • Mein Konto
  • Merkliste
  • Abmelden
Conrad
Start
Elektromechanik Relais Kfz-Relais

Zettler Electronics AZ979-1A-12D Kfz-Relais 12 V/DC 80 A 1 Schließer

EAN:
Hst.-Teile-Nr.:
Bestell-Nr.:
'ZETTLER AZ979-1A-12D China 04X7' auf einem schwarzen elektrischen Relaisbauteil mit Metallkontakten.
'ZETTLER AZ979-1A-12D China 04X7' auf einem schwarzen elektrischen Relaisbauteil mit Metallkontakten.
Technische Zeichnung eines elektrischen Steckverbinders mit Abmessungen in Millimetern und Zoll. Zeigt Ansichten und Maßangaben für Höhe, Breite und Lochdurchmesser.
Schaltsymbol eines elektrischen Relais mit den Anschlüssen 30, 85, 86, 87 und 88, das die Stromkreissteuerung darstellt.
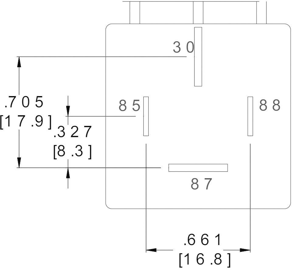
Technische Zeichnung eines quadratischen Steckers mit Längenmaßen: 30 mm Breite, 32,7 mm Höhe, verschiedene Lochgrößen und Abstände.
1/4
Produkt-Art
Kfz-Relais
Nennspannung Spule
12 V/DC
Kontaktart
1 Schließer
Anschluss
Flachstecker 9.5 mm
Flachstecker 6.3 mm
Schaltspannung (max.)
30 V/DC
Datenblatt (PDF)
English
Zettler Electronics
LieferungDo., 9. Apr.

51 Stück

Anzahl

Gesamt
CHF 5.32
zzgl. gesetzl. MwSt. 
  • Gratis Lieferung ab CHF 200.–

  • Über 1 Million Produkte

  • Über 3'500 Marken

  • Blog

Services

Services

  • Angebotsservice

  • SourcingPlus

  • Garantie Plus 24

  • Geschenkkarte

  • Project Business

  • Business+

  • E-Procurement

  • ProcurePlus

  • Alle Services


Über Conrad

Über Conrad

  • Unternehmen

  • Conrad Marken

  • Pressemitteilungen

  • Qualität

  • Umwelt

  • Rechtliches

  • Vulnerability Disclosure Program

  • Karriere

  • Sponsoring


Conrad erleben

Conrad erleben

  • Innovation News

  • Katalog / Downloads

  • Branchenlösungen

  • Ratgeber

  • Blog

  • Markenshop

  • Messen und Events


Für Bildungseinrichtungen

Für Bildungseinrichtungen

  • Alles für Ihre Bildungseinrichtung


Aktuelle Promotionen

Aktuelle Promotionen

  • ★ Zur Übersicht

  • 🎁 Geschenkideen

  • % Technik-SALE

  • % Conrad Outlet

  • % Alle Conrad Gutscheine

  • Monatsempfehlungen


Hilfe & Kontakt

Hilfe & Kontakt

  • FAQ-Hilfecenter

  • Kontaktformular


Newsletter

Bitte geben Sie eine gültige E-Mail-Adresse ein!

Newsletter

Newsletter

  • Jetzt für den Newsletter anmelden und CHF 10.- Gutschein sichern!
    Kostenlos und jederzeit kündbar
     →


Zahlarten
  • Zahlungsart Kreditkarte
  • Zahlungsart PayPal
  • Zahlungsart Vorauskasse
  • Zahlungsart Rechnung
Alle Zahlarten
Social Media

*Gewerblicher Shop: Anzeige von Nettopreisen exkl. MwSt. und Versandkosten

*Alle Preisangaben sind inkl. MwSt.

    

  • Datenschutz

  • Sichere Zahlungsmittel

  • SSL-Verschlüsselung

  • Verified Visa & Mastercard Secure Code

  • Logo zu Swiss Online Garantie
  • AGB

  • Impressum

  • Datenschutz

Produktvergleich
Merkliste