Direktlink
  • Conrad
  • Mein Konto

    Anmelden / Registrieren

  • Einkaufswagen

  • Aktuelle Angebote, Aktionen & Top-Deals – Jetzt entdecken → Aktuelle Angebote, Deals & Aktionen →
  • Service & Infos

    Vorteile & Inspiration

    • → Langzeit-Garantie

    • → Geschenkkarte

    • → Geschenkideen

    • → Newsletter

    Wissen & Aktuelles

    • → Ratgeber

    • → Conrad Blog

    • → Aktuelles

    • → Kataloge


  • Angebote

    Sparen & Angebote

    • → Aktionen

    • → SALE %

    • → Outlet

    Clever Einkaufen

    • → Haushaltsbedarf

    • → Refurbished

    • → Alle Gutscheine


    Marken im Fokus

    Logo zu TOOLCRAFT
    Logo zu Albrecht
    Logo zu Einhell
    Logo zu Bosch Home and Garden
    Logo zu dyson
    Logo zu Samsung

  • Unsere Produkte
  • Mein Konto
  • Merkliste
  • Abmelden
Conrad
Start
Automation & Pneumatik Automatisierung SPS Phoenix Contact Phoenix Contact Feldbus-Komponenten und -Systeme

Phoenix Contact FB-12SP ISO 2316312 Koppelmodul 32 V/DC

EAN:
Hst.-Teile-Nr.:
Bestell-Nr.:
Ein schwarzes Modul mit dem Aufdruck 'PHOENIX CONTACT F8-12SP ISO' und mehreren blauen Anschlussklemmen.
Ein schwarzes Modul mit dem Aufdruck 'PHOENIX CONTACT F8-12SP ISO' und mehreren blauen Anschlussklemmen.
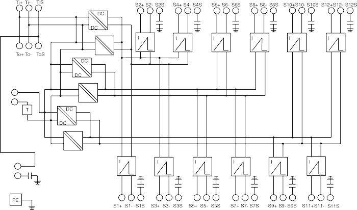
Schaltplan zeigt die Konfiguration eines elektrischen Systems mit Relais, Schaltern und Leitungen; Verbindungswege sind klar markiert.
Technische Zeichnung eines Geräts von Phoenix Contact, mit Abmessungen: 142 mm hoch, 279 mm breit und 66 mm tief.
'Elektrischer Schaltplan mit Schützen, Relais und Sensoren, zeigt Verbindungslinien zwischen verschiedenen elektrischen Komponenten.'
1/4
Abbildung ähnlich
Phoenix Contact
Datenblatt (PDF)
European union
 

Anzahl

Gesamt
CHF
  • Gratis Lieferung ab CHF 200.–

  • Über 1 Million Produkte

  • Über 3'500 Marken

  • Blog

Services

Services

  • Angebotsservice

  • SourcingPlus

  • Garantie Plus 24

  • Geschenkkarte

  • Project Business

  • Business+

  • E-Procurement

  • ProcurePlus

  • Alle Services


Über Conrad

Über Conrad

  • Unternehmen

  • Conrad Marken

  • Pressemitteilungen

  • Qualität

  • Umwelt

  • Rechtliches

  • Vulnerability Disclosure Program

  • Karriere

  • Sponsoring


Conrad erleben

Conrad erleben

  • Innovation News

  • Katalog / Downloads

  • Branchenlösungen

  • Ratgeber

  • Blog

  • Markenshop

  • Messen und Events


Für Bildungseinrichtungen

Für Bildungseinrichtungen

  • Alles für Ihre Bildungseinrichtung


Aktuelle Promotionen

Aktuelle Promotionen

  • ★ Zur Übersicht

  • 🎁 Geschenkideen

  • % Technik-SALE

  • % Conrad Outlet

  • % Alle Conrad Gutscheine

  • Monatsempfehlungen


Hilfe & Kontakt

Hilfe & Kontakt

  • FAQ-Hilfecenter

  • Kontaktformular


Newsletter

Bitte geben Sie eine gültige E-Mail-Adresse ein!

Newsletter

Newsletter

  • Jetzt für den Newsletter anmelden und CHF 10.- Gutschein sichern!
    Kostenlos und jederzeit kündbar
     →


Zahlarten
  • Zahlungsart Kreditkarte
  • Zahlungsart PayPal
  • Zahlungsart Vorauskasse
  • Zahlungsart Rechnung
Alle Zahlarten
Social Media

*Gewerblicher Shop: Anzeige von Nettopreisen exkl. MwSt. und Versandkosten

*Alle Preisangaben sind inkl. MwSt.

    

  • Datenschutz

  • Sichere Zahlungsmittel

  • SSL-Verschlüsselung

  • Verified Visa & Mastercard Secure Code

  • Logo zu Swiss Online Garantie
  • AGB

  • Impressum

  • Datenschutz

Produktvergleich
Merkliste